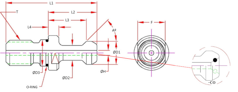
| Shank | Part Number | A | D1 | D2 | D3 | L1 | L2 | L3 | L4 | H | F | T | Socket | O-Ring OD | O-Ring ID | Notes |
|---|---|---|---|---|---|---|---|---|---|---|---|---|---|---|---|---|
| CAT50 | HPS-C50-ANSI-C | 45 | 1.14 | 0.82 | 1.031 | 2.58 | 1 | 0.7 | 0.21 | 0.457 | 1.25 | "1""-8" | TWS-125 | Y | ANSI B5.50 | |
| CAT50 | HPS-C50-MAS-45-C | 45 | 0.906 | 0.669 | 1.031 | 3.354 | 1.78 | 1.386 | 0.402 | 0.236 | 30 | "1""-8" | TWS-M30 | Y | MAS P50T-1 | |
| CAT50 | HPS-C50-MAZAK-C | 45 | 1.14 | 0.82 | 1.031 | 2.303 | 1 | 0.7 | 0.197 | 0.394 | 1.187 | "1""-8" | TWS-118 | Y | MAZAK | |
| CAT50 | HPS-C50-MAZAK-C | 45 | 1.14 | 0.82 | 1.031 | 2.303 | 1 | 0.7 | 0.197 | 0.394 | 1.187 | "1""-8" | TWS-118 | MAZAK 16mm CBORE | ||
| CAT50 | HPS-C50-MAZAK-COF | 45 | 1.14 | 0.82 | 1.031 | 2.303 | 1 | 0.7 | 0.197 | 0.394 | 1.187 | "1""-8" | TWS-118 | MAZAK 16mm CBORE | ||
| CAT50 | HPS-C50-MAS-60 | 60 | 0.906 | 0.669 | 1.024 | 3.248 | 1.772 | 1.378 | 0.394 | - | 30 | "1""-8" | TWS-M30 | MAS P50T-2 | ||
| CAT50 | HPS-C50-JIS-C | 75 | 1.102 | 0.827 | 1.031 | 2.913 | 1.338 | 0.984 | 0.197 | 0.468 | 30 | 8-Jan | TWS-M30 | Y | JIS B6339 HPS-711-45 | |
| CAT50 | HPS-C50-KITAMURA-C | 75 | 1.102 | 0.827 | 1.031 | 1.345 | 0.99 | 0.197 | 0.452 | 1.181 | 8-Jan | TWS-118 | Y | Kitamura Design | ||
| CAT50 | HPS-C50-MAS-90 | 90 | 0.906 | 0.669 | - | 3.346 | 1.78 | 1.386 | 0.394 | - | 30 | "1""-8" | TWS-M30 | MAS P50T-3 MORI | ||
| CAT50 | HPS-C50-MAS-90-C | 90 | 0.906 | 0.669 | 1.031 | 3.346 | 1.78 | 1.386 | 0.394 | 0.25 | 30 | "1""-8" | TWS-M30 | Y | MAS P50T-3 |